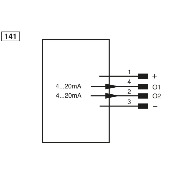
Οι αισθητήρες ροής weFlux² με δύο αναλογικές εξόδους μετρούν ταυτόχρονα την ταχύτητα ροής και τη θερμοκρασία των υδατικών υγρών, ανεξάρτητα από τη θέση και την κατεύθυνση της ροής. Πλεονέκτημα: Ο αριθμός των σημείων μέτρησης και η ποικιλομορφία των παραλλαγών αισθητήρων μειώνονται στο μισό και εξασφαλίζεται η μεγαλύτερη δυνατή ευελιξία για την εγκατάσταση σε κλειστά συστήματα σωληνώσεων. Η μονάδα ανάλυσης είναι ενσωματωμένη στο συμπαγές περίβλημα.
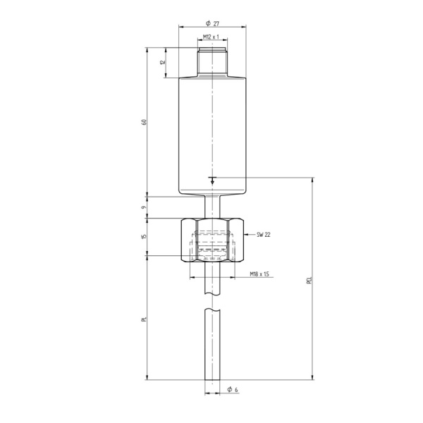
Αισθητήρας ροής με δύο αναλογικές εξόδους για ρυθμό ροής και θερμοκρασία
- 2 αναλογικές έξοδοι: 4 ... 20 mA
- Εύρος ροής: 10 ... 400 cm/s
- Μέσο: υγρά πετρέλαιο, νερό κ.λπ.
- Ταχύτητα αντίδρασης: 1 ... 5 δευτερόλεπτα.
- Θερμοκρασία μέσου: -25 ... +150 °C
- Ροή θερμοκρασίας: 0 ... +125 °C
- Συμβατό με το FDA
- Ενιαίος αισθητήρας για ροή και θερμοκρασία
- Μέτρηση ανεξάρτητη από την κατεύθυνση ροής και τη θέση εγκατάστασης
- Προσαρμογείς κατόπιν αιτήματος










